Learn how to read the Accuride slides technical data sheets!

Learn how to accurately interpret Accuride data sheets for our drawer slides. This guide provides essential information for choosing the right product.

Slideology 201: How to Read a Data Sheet

Slideology 201: How to Read a Data Sheet

  • The data sheet header answers frequently asked questions as a brief overview of the key points about a slide.
  • Each letter in the diagram represents a measurement, seen in a table/chart in the next section. These give you an exact measurement between screw-points on each slide member.
  • Each data sheet has illustrated step-by-step instructions to help you install your slides. Make sure you read all the instructions before you begin the installation.
  • The last section of the data sheet explains how to order that model of the slide, optional kits and accessories for that model, different types of packaging available.

Every pair of Accuride slides comes with a data sheet. What does it include?

Slide dimensions? Check. Types of applications? Check. Directions on how to install? Check that box, too.

A data sheet does all those and more. It includes ordering info, optional kits, and a whole list of specs.

With all that information, a data sheet can be daunting to look through. That’s why we’re helping you break down that info in an easy-to-follow way. For this blog, we’ll use the data sheet for the 3832E (and sibling 3834E) for reference.

(For more on this series of light-duty slides, visit our 3800 family page.)

HEADER

Will these slides fit inside my cabinet? Can they even handle the weight I expect them to?

how-to-read-drawerslide-datasheet-header-1024x356.jpg.webp

As seen above, the page header answers those questions as a brief overview of the key points about a slide. It includes:

  • the slide’s load rating
  • the side-space needed
  • the available lengths for that model
  • common applications

Additionally, the header can also include warnings against the unintended use or mounting methods. You can also find info on key features, such as the “Vertical Drawer Adjustment Cam” listed in the left part of the header.

YOUR DIAGRAM, CHART, AND GENERAL INFO

how-to-read-datashee-drawerslide-model-1024x478.jpg.webp

Below the header is our first image (as seen above), a representation of the slide’s travel.

Most Accuride slides, including this 3832E, are full travel (they extend 100% of their closed length).

how-to-read-datasheet-drawer-slide-extension-1024x478.jpg.webp

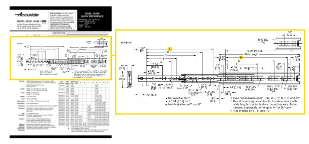
Below that is a larger diagram (highlighted above). Notice highlighted letters in the image.

how-to-read-datasheet-drawerslide-measurements-1024x580.jpg.webp

Each letter represents a measurement, seen in a table/chart in the next section. These give you an exact measurement between screw-points on each slide member.

As an example, let’s look at our 3832E/3834Ein 22 in. The “E” spec tells us the distance between drawer members’ first and last vertical holes: 19.37 in. The “H” spec tells us the distance between the front and rear breathing tabs: 17.64 in.

The chart also shows options available for that model of slide, including:

INSTALLATION

Each data sheet has illustrated step-by-step instructions to help you install your slides. Make sure you read all instructions BEFORE you begin the installation.

how-to-read-datasheet-drawerslide-installation-steps-1024x580.jpg.webp

We include cautionary information that you should be aware of before starting. This information can include important measurements for cabinetry types, best use the adjustment features, and where to insert additional screws to secure a slide.

ORDERS, OPTIONS, AND PACKAGING

This last section explains:

– How to order that model of slide

– Optional kits and accessories for that model

– Different types of packaging available

Ordering information is divided into five parts:

  • total pairs of slides
  • type of finish on slide
  • model of slide
  • length of slide
  • type of packaging

In the datasheet, lists: 10 Pair C 3832 -E18 D. That means:

  • 10 Pair = 10 pairs of slides
  • C = zinc, a usually standard finish
  • 3832 = name of the model of slide
  • -E18 = 18 in. length
  • D = Distributor packaging

how-to-read-datasheet-drawerslide-optional-kits-info-1024x580.jpg.webp

Some Accuride slides may offer brackets or other accessories to help installation.

As for packaging, Accuride offers two types:

  • Distributor Pack (D)
  • Bulk Pack (P)

A Distributor Pack includes a pair of slides, the screws needed to mount them, and a copy of the data sheet. A Bulk Pack, meant for large businesses, only includes the slides.

THE OTHER STUFF

Lastly, you can find out what material makes up each slide and compliance standards. Beyond that, you can find Accuride contact info at the bottom right.

Finding a copy of a data sheet for your Accuride slide is easy:

  1. Type in the model of the slide in the search box
  2. Click on the product page for your model
  3. Scroll to the bottom of that page

There you’ll find a downloadable PDF data sheet you can save or print.

We hope you found this guide useful!

Is there something we missed? Something you’d like us to cover? Just reach out to us by commenting or by one of our social media channels below!

Related Posts